E155 Portfolio
Home
Labs
Guitar Pedals Project
E155 Labs
HMC E155 Lab 1: FPGA and MCU Setup and Testing
In this lab, functional testing was done on a newly constructed E155 development board to confirm that all components placed and soldered onto the board functioned as…
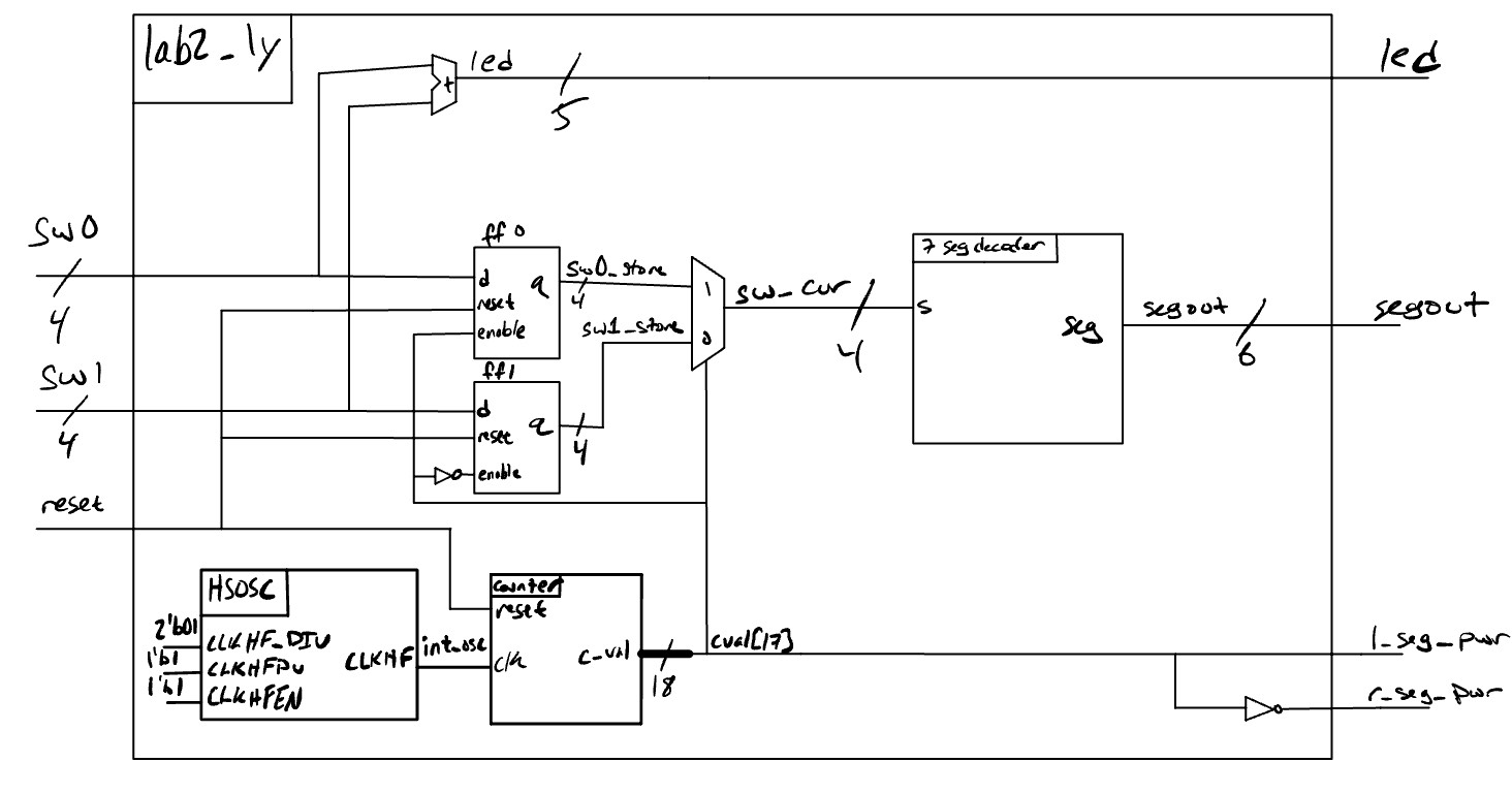
HMC E155 Lab 2: Multiplexed 7-Segment Display
In this lab, a state-based solution was created to independently take the inputs of two 4-segment switches (to represent hex numbers) and display them on a two-diget seven…
HMC E155 Lab 4: Digital Audio
In this lab, the timers and a GPIO pin on the STM32L432KC microprocessor was used to control a speaker and play songs using C code. Drivers were created to control both a…
HMC E155 Lab 5: Interrupts
In this lab, interrupts and GPIO pins were configured with a counter on the STM32L432KC to read a quadrature encoder on a TS-25GA370H-34 motor. This quadrature encoder…
HMC E155 Lab 6: The Internet of Things and Serial Peripheral Interface
In this lab, a DS1722 digital temperature sensor was configured over SPI communications to report temperature when prompted. Simultaneously, an ESP8266 chip was used to host…
No matching items